- Виробник:IN-SINK-ERATOR
- Швидкість об/хв:1725
- Підключення: 380 Вольт/ 3Ф/2 кВт
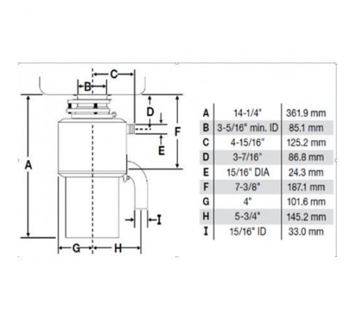
- Габбарити:362
Опис:
Професійний подрібнювач харчових відходів (диспоузер) InSinkErator SS 300 застосовується на підприємствах громадського харчування, лікарнях, школах, дитячих садках та інших закладах, де кількість відвідувачів на годину становить не більше 100 осіб Для якісного видалення сміття вода підводиться безпосередньо у виріб. Шумопонижающая система Quiet Plus® забезпечена подвійною шумозахисною оболонкою і збільшеним шумопоглинаючим кожухом для підвищення комфорту використання. Великий обсяг дробильної камери дозволяє скоротити час утилізації і споживання електроенергії. Під будь-який обсяг навантаження можна підібрати подрібнювач з пропонованих різних моделей і різних розмірів. Починаючи від самої невеликої SS 300 до моделі 3 HP всі подрібнювачі обладнані камерою з нержавіючої сталі, чавунними подрібнювачами, що працюють в двох напрямках, а також потужними, але досить тихими, двигунами. Спосіб завантаження - безперервний, спосіб переробки - проточний Великий обсяг камери подрібнення. AquaSaver фіксує обсяг завантаженості подрібнювача і подає рівно стільки води, скільки необхідно для ефективної переробки відходів. Ці подрібнювачі підходять до мийок з будь-яким діаметром зливного отвору, оскільки в комплект поставки входить два типи нержавіючих перехідників для мийки і редуктор фланця. При підборі подрібнювача можна продумати все до дрібниць, підібравши компоненти, які ідеально підійдуть саме до вашої мийці або сушці. Сифонний кран запобігає зворотному потоку води в систему подачі. Після включення води задіюється соленоїдний клапан, який гарантує проходження води через подрібнювач. Клапан управління автоматично подає ту кількість води, яка необхідна для роботи подрібнювача. Сміття, яке збирається в баку, з часом починає неприємно пахнути, приваблює шкідників і сприяє розмноженню бактерій. Подрібнювачі допомагають значно скоротити обсяг викидається в баки сміття, мінімізувати час, який витрачено персоналом на дорогу до бака і назад. знижує витрати на вивезення сміття. Диспоузер SS 300 спроектований з урахуванням всіх потреб невеликих точок громадського харчування. Обладнання розраховане на постійне використання, укомплекотоване місткою камерою подрібнювача, мотором, який розрахований на безперервну роботу, і потужним подрібнювачем. Модель розрахована на установку в трубопроводах, які відповідають комерційним характеристикам, і не підійде для установки в житлових приміщеннях. Обладнання розраховане на використання в закладах, які не стикаються з великими обсягами харчових відходів:
- закусочні, відділи гастрономії;
- ресторани швидкого харчування;
- офісні, церковні кухні;
- міні-готелі, що пропонують тільки сніданок.
Подрібнювач встановлюється в кухонну мийку з зливним отвором діаметром 50 мм, якщо мийка виготовлена з нержавіючої сталі і глибина значення не має. При необхідності можна розширити отвір до потрібних розмірів за допомогою спеціального преса. Подрі...
Короткі характеристики
- Виробник:IN-SINK-ERATOR
- Швидкість об/хв:1725
- Підключення: 380 Вольт/ 3Ф/2 кВт
- Габбарити:362
Відгуків про цей товар ще не було.
